Grain size analysis with AI

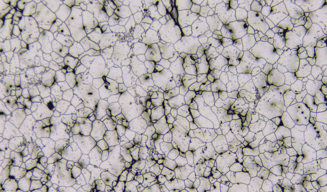
In a lot of manufacturing processes it is very imperative to measure the grain size of microscopy images of metals. Current automated methods are not robust against common deformations such as twins, compression slips, over/under etching or scratches. Clemex’ vision is to see a laboratory, where grain size analysis is done quickly and simply, without guess work and with only one single method.
Our solution is validated, fully automatic, and there are no parameters: it’s actually plug and play. 

 

Universal Test method for grain size analysis

With our new AI Plugin, segmenting even the most difficult images is fast and reliable. Twinned microstructures are not a problem.

 

we make the impossible possible

It was previously impossible to automate grain size analysis on certain types of microstructures such as twining, compression slip lines or sample preparation artifacts. With the AI plugin challenges such as background noise, over or under etching and poor contrast are solved.

Universal Grain Size Analysis | Clemex

One method for different materials

You can now analyze copper alloys, austenitic steels or titanium alloys containing twins. As well dendritic grains like in aluminum are recognized. Last but not least: it supports all methods of the ASTM-E112 standard.

Universal Grain Size Analysis | Clemex

Specific features of the universal method for grain size analysis

COUNTING TWINS IS THE PAST

With our new AI Plugin, segmenting even the most difficult images is fast and reliable. Twinned microstructures are not a problem.

> 160 times faster than manual methods

Compared to the common methods like the comparison or circular intercept method, the AI plugin is more accurate and reproducible. Throw your wall chart in the bin!

Segmentation of under etched samples

Cases in which the samples are under-etched can still be segmented: “dotted” boundaries are recognized and accurately segmented while ignoring twins and common deformations.

No time for proper preparation?

The universal method for grain size measurement ignores porosities and measures the boundaries correctly.

Scan and export just within seconds

Scan any sample with the same method and export results in just a few seconds.

RÉSULTATS FIABLES

The algorithm for the segmentation is validated by no less than the experts of the National Research Council Canada for metallography.