BRISER LA BARRIÈRE DE L’ANALYSE D’IMAGES TRADITIONNELLE
Clemex Studio est un outil de création d’algorithmes de segmentation d’image. L’intelligence artificielle pour la microscopie n’a jamais été aussi accessible et orientée vers l’utilisateur. L’approche unique de Clemex Studio est la plus intuitive sur le marché. Distinguez rapidement les phases ou les particules et téléchargez le plugiciel pour obtenir des résultats avec notre logiciel d’analyse d’images éprouvé, Clemex Vision.
Essayez Clemex Studio
Êtes-vous prêt pour un essai? Cliquez sur le lien ci-dessous et profitez d’annotations simples, mais intelligentes!
FLUX DE TRAVAIL RATIONALISÉ
IMPORTATION DES IMAGES
Téléchargez quelques images représentatives de votre échantillon : 1 à 10 images seulement donneront des résultats adéquats.
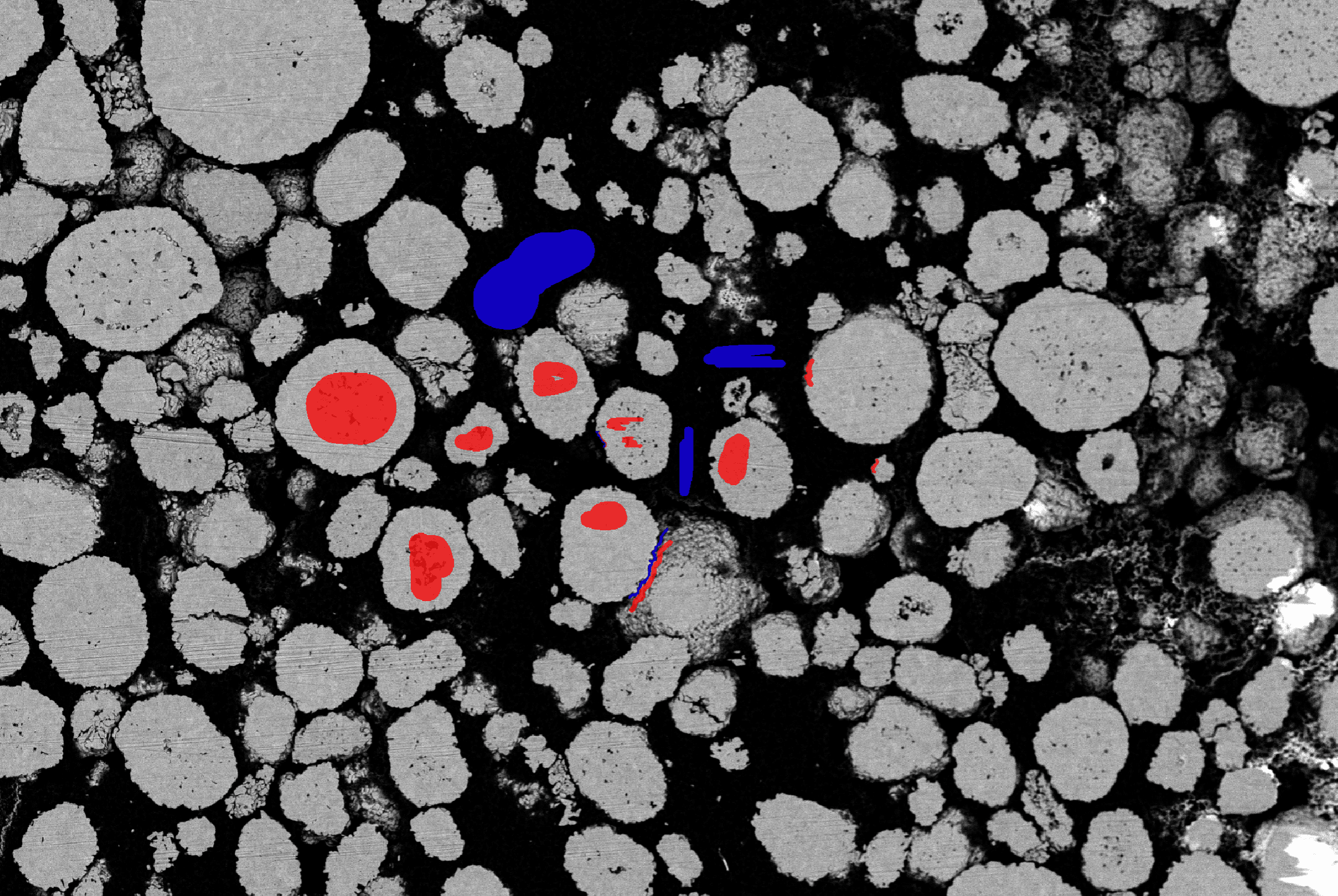
ANNOTATION
À l’aide d’outils de peinture simples, remplissez les zones de l’image qui correspondent à l’arrière-plan et aux caractéristiques que vous souhaitez détecter. Cette action est généralement effectuée sur une ou quelques images selon la complexité de l’application.
FORMATION
Cliquez sur le bouton Formation pour procéder à la prédiction automatique sur l’ensemble de la série d’images importées. Dans les cas types d’utilisation, ce processus prend environ 8 à 30 secondes.
Francis Quintal Lauzon, Directeur des produits et de l’innovation chez Clemex Technologies, explique comment la poussée vers la valorisation des données dans l’industrie a conduit Clemex à construire une nouvelle plateforme pour générer des algorithmes de segmentation.
APPLICATIONS
Détermination du pourcentage de nodularité
Les flocons sont un défaut de nodularité. Au cours du traitement du magnésium, les flocons sont transformés en nodules. Les flocons restants sont considérés comme des imperfections. Une formation adéquate de l’algorithme Clemex Studio s’est avérée efficace dans la détection automatique des nodules et des flocons pour obtenir des résultats précis en matière de nodularité. Les mesures sont obtenues à l’aide de Clemex Vision.
Mesure des phases de ferrite/austénite
La ferrite delta est une phase commune dans l’acier inoxydable austénitique. La gravure de ce matériau résistant à la corrosion est parfois difficile, et les phases résultantes sont souvent affectées par divers rendus d’intensité (taches), ce qui rend l’utilisation de seuils traditionnels difficile. Avec l’algorithme formable de Clemex Studio, vous pouvez très facilement détecter le pourcentage de ferrite delta/austénite et de phase sigma (le cas échéant).
ANALYSE DE POROSITÉ DANS L’ALUMINIUM
La mesure du niveau de porosité vous permet d’indiquer si le matériau répond aux exigences relatives à la surface des pores et au pourcentage de porosité. Avec Clemex Studio, vous pouvez rapidement former l’algorithme pour détecter les pores, alors que Vision PE calcule les résultats, par exemple le pourcentage de porosité, afin que vous puissiez caractériser votre processus de moulage à des fins d’assurance qualité.
You need help?
Just request assistance directly in Clemex Studio! We are there for you and a real live human will respond to the sort of help you need.
LES DERNIÈRES NOUVELLES DE NOTRE COMMUNAUTÉ
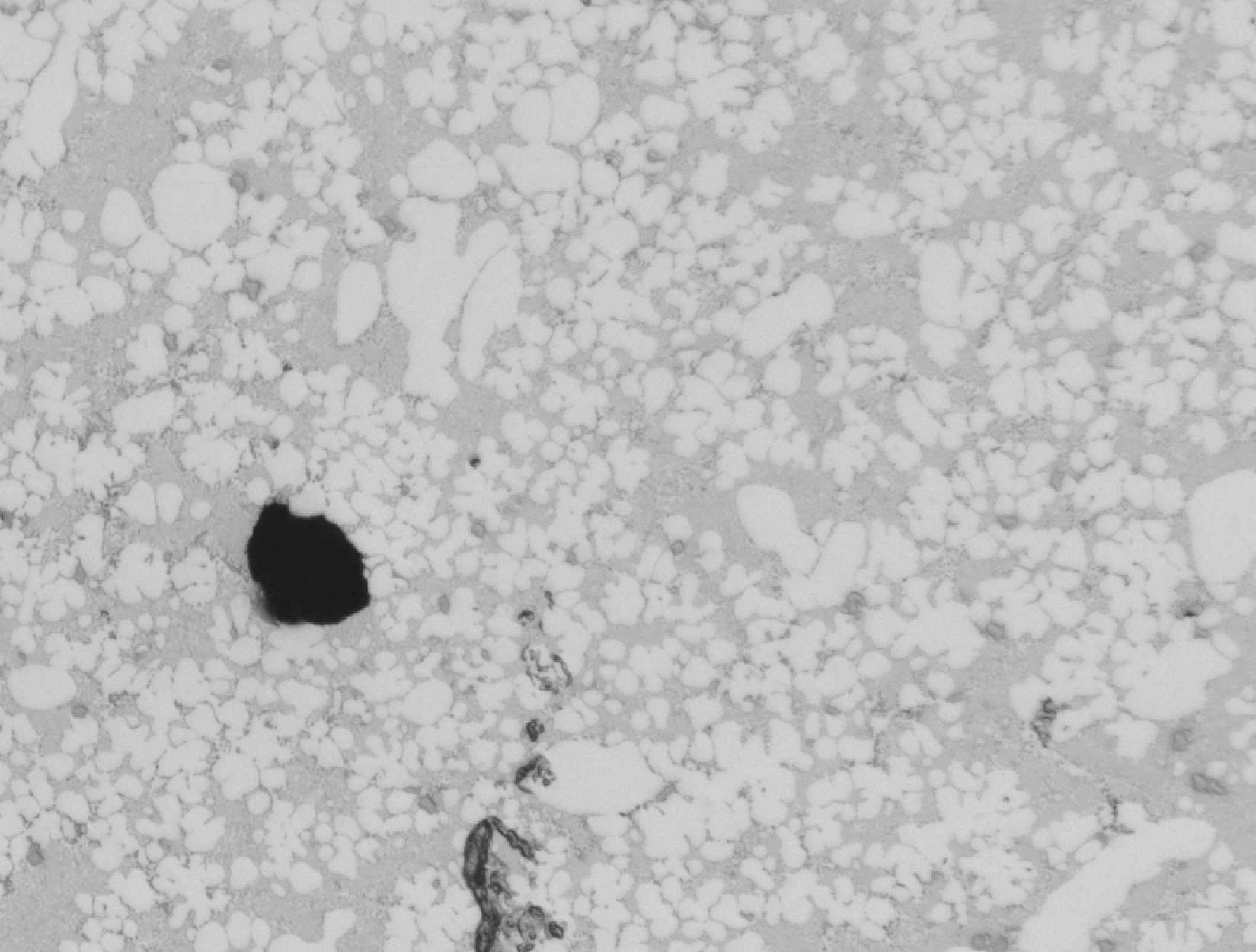
UQAT, CANADA
Particules minérales dans la résine. Le défi ici était de segmenter l’arrière-plan des amas de particules minérales. Crédit photo Benjamin de Castro.
CHOIX DU PERSONNEL DE CLEMEX
Image MEB de pollen à 500 X. La formation de l’algorithme a été faite sur une seule image et s’est avérée très efficace.
FRAUNHOFER-INSTITUT IKTS, ALLEMAGNE
Image MEB de la cathode en coupe transversale d’une batterie lithium-ion. La taille et la forme des particules ont été analysées avec Clemex Vision. Crédit photo Dr André Clausner.



